光電轉速計、光耦里程表實驗
一、實驗目的
掌握透射型光電耦合開關的實際應用,包括轉速計和里程表
二、實驗內容
透射型光電耦合開關的轉速計設計、里程表應用
三、實驗儀器
1、光電技術創新綜合實驗儀 一臺
2、光電耦合實驗模塊 一塊
3、連接導線 若干
四、實驗原理
透射型光電開關形狀如圖2-1,光電發射器件(LED)與光電接收器件(光電三極管)分別安裝在器件的兩臂上,分離尺寸一般為4—12mm。當有物體擋在光電耦合開關的兩臂中間時,光信號的接收通路被阻斷,所以有物體移動時光電開關就會工作在開關狀態,起到開關控制的作用。

圖 2-1 透射型光電開關
脈沖信號經過光電開關后,通過“0,1”信號對發光二極管的光發送信號進行調制,通過光電二極管的接收還原為“0,1”信號,實現了對信號的傳輸。
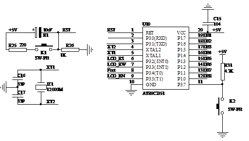
透射型光開關的開關特可應用到實際生活中的汽車里程表設計中。里程表用于累計、儲存和顯示車輛所走過的路程,既有在需要的時候重新置值的短途表,也有用來指示車輛走過的總里程表。每次行駛里程是利用集成電路通過車速傳感器所產生的脈沖數信號來計算并存儲車輛所走過的里程。累加各次行駛過的里程數,便可得到總里程數。在本實驗中,我們在光電轉速測量電路的基礎上,將光電耦合開關輸出的脈沖信號Fout作為里程表的輸入信號,利用單片機編程實現對脈沖計數、里程數轉換及顯示,電路圖如圖2-2所示。
對經轉盤調制的脈沖進行整形,此脈沖送給單片機。
圖2-2 光耦里程表原理圖
使用單片機的計數器得到調制后的脈沖數,通過計算得到轉盤轉速和里程數,轉盤上開有6個孔,透射型光開關的輸出信號頻率為Fout、那么轉盤的轉速為speed=3.6*Fout*D*PI/6 km/h;D為轉盤直徑,PI為3.14。里程數為每秒所走里程的累加。
五、實驗注意事項
1、打開電源之前,將“電源調節”處旋鈕逆時針調至底端;
2、實驗操作中不要帶電插拔導線,應該在熟悉原理后,按照接線圖連接,檢查無誤后,方可打開電源進行實驗;
六、實驗步驟
光電轉速計、里程表實驗
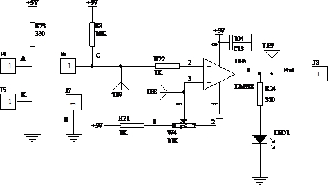
1、實驗模塊上A,K,C,E與實驗箱主板上透射型光開關的A,K,C,E相連接,實驗箱主板上可調偏壓0—12V2與V1連接,GND2與V2連接,12V2、GND2分別連接實驗箱上電壓表的正負插孔。按下電源開關K3,K4調節電壓調節旋鈕使轉盤轉動起來,測量TP7點電壓和TP8點電壓。調節W4使TP9點輸出穩定方波。(調節電壓時需從0V往上調,并且保證轉盤轉速適當不要過高);
2、調節轉盤的轉速測量TP9的波形,觀察TP9點波形頻率的變化;
3、按下復位開關K1,觀察液晶屏上顯示的內容,行為里程數,第二行為轉速。speed=3.6*Fout*D*PI/6;透射型光開關的輸出信號頻率為Fout,D為轉盤直徑程序里設置為1m,PI為3.14。distance為每秒所走里程數的疊加,K1開關起復位作用,按下K1速度和里程都清零;
4、改變轉盤轉速觀察液晶屏所顯示的speed和distance的變化情況。
光電耦合開關轉速計、里程表設計實驗
(1)對照單片機模塊實驗指導書,熟悉單片機及各外圍電路功能及用法,掌握單片機開發方法;
(2)參考單片機模塊實驗及光耦轉速計、里程表實驗編寫程序,設計相關電路及編寫程序實現里程表功能。
(3)參考單片機模塊實驗指導書,用2#連接導線將單片機模塊相應P3.4口連接到光電耦合實驗模塊的J8(經轉盤調制整形后的頻率信號)。
(4)自行編程,實現對脈沖頻率的計數,將頻率值進行相關運算得到速度值和里程值(可參考光耦里程表模塊源程序);

圖2-3 程序流程圖
(5)將自行編寫程序的HEX文件燒入單片機(詳見“單片機實驗模塊”的軟件的安裝及使用),重復光耦里程表實驗的實驗步驟,驗證光耦里程表實驗。(調試時將光電耦合模塊上的單片機拔去)
七、思考題
1、怎樣實現里程數的存儲和累加?
2、思考利用光開關還能設計出什么樣的應用電路?